temperature sensors manufacturers, temperature sensor monitor manufacturers, corrugated hoses manufacturers India, strip wound hoses product, gooseneck manufacturers India, cam lock couplings manufacturer, pipe & tube fittings manufacturer, temperature sensor company india temperature sensors manufacturers, temperature sensor monitor manufacturers, corrugated hoses manufacturers India, strip wound hoses product, gooseneck manufacturers India, cam lock couplings manufacturer, pipe & tube fittings manufacturer, temperature sensor company india
Home   |    Profile  |   Products   |   Quality    |  Services & Support  | Feedback  |  Contact Us
temperature sensors manufacturers, temperature sensor monitor manufacturers, corrugated hoses manufacturers India, strip wound hoses product, gooseneck manufacturers India, cam lock couplings manufacturer, pipe & tube fittings manufacturer, temperature sensor company india
Tube Fittings
Tube to Tube Back
   
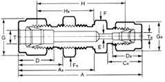
Bulkhead Reducing Union
Bulkhead Reducing Union - Connects fractional tubes
 
temperature sensors manufacturers, temperature sensor monitor manufacturers, corrugated hoses manufacturers India, strip wound hoses product, gooseneck manufacturers India, cam lock couplings manufacturer, pipe & tube fittings manufacturer, temperature sensor company india    temperature sensors manufacturers, temperature sensor monitor manufacturers, corrugated hoses manufacturers India, strip wound hoses product, gooseneck manufacturers India, cam lock couplings manufacturer, pipe & tube fittings manufacturer, temperature sensor company india
 
Tx                          Panel   
Tube  Tube  Basic            Minimum  Hex  Hex  Hex      Hole  Max. 
O.D.  O.D.  Ordering            Opening  Flat  Flat  Flat      Drill  Panel 
(inch.)  (inch.)  Number  Ax  Cx  Dx  Gx  Hx  Size  Thickness 
1/4  1/8  kpc-4-101-2  2.17  1.32  .60  .60  .50  .09  5/8  9/16  7/16  1.62  1.03  29/64  .40 
3/8  1/4  kpc-6-101-4  2.39  1.44  .70  .66  .60  .19  3/4  11/16  9/16  1.81  1.16  37/64  .44 
1/2  1/4  kpc-8-101-4  2.63  1.65  .70  .90  .60  .19  15/16  7/8  9/16  1.94  1.25  49/64  .50 
 
  Back
temperature sensors manufacturers, temperature sensor monitor manufacturers, corrugated hoses manufacturers India, strip wound hoses product, gooseneck manufacturers India, cam lock couplings manufacturer, pipe & tube fittings manufacturer, temperature sensor company india
temperature sensors manufacturers, temperature sensor monitor manufacturers, corrugated hoses manufacturers India, strip wound hoses product, gooseneck manufacturers India, cam lock couplings manufacturer, pipe & tube fittings manufacturer, temperature sensor company indiaHome | Other Products| Profile | Products | Quality | Services & Support | Feedback | Contact Us temperature sensors manufacturers, temperature sensor monitor manufacturers, corrugated hoses manufacturers India, strip wound hoses product, gooseneck manufacturers India, cam lock couplings manufacturer, pipe & tube fittings manufacturer, temperature sensor company india
Product Range:
Corrugated HosesStrip Wound HosesGoose NeckCam Lock Couplings Tube FittingsTemperature Sensor Comp.