Home   |    Profile  |   Products   |   Quality    |  Services & Support  | Feedback  |  Contact Us
Tube Fittings
Tube to Tube Back
   
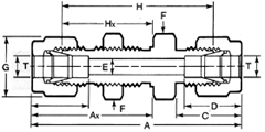
Bulkhead Union
Bulkhead Union - Connects metric tubes
 
   
 
                    Panel   
Tube  Basic          Minimum  Hex  Hex      Hole  Max. 
O.D.  Ordering          Opening  Flat  Flat      Drill  Panel 
(inch.)  Number  Ax  Hx  Size  Thickness 
kpc-M3-101  51.3  31.2  15.3  12.9  2.4  14  12  38.1  24.6  8.3  12.7 
kpc-M4-101  53.6  32.0  16.1  13.7  2.4  14  12  40.4  25.4  9.9  127 
kpc-M6-101  57.7  33.6  17.7  15.3  4.8  16  14  42.9  26.2  11.5  10.4 
kpc-M8-101  61.0  36.1  18.6  16.2  6.4  18  16  46.0  28.6  13.1  11.2 
10  kpc-M10-101  63.7  37.0  19.5  17.2  7.9  22  19  48.5  29.4  16.3  11.2 
12  kpc-M12-101  71.0  41.9  22.0  22.8  9.5  24  22  50.8  31.8  19.5  12.7 
14  kpc-M14-101  72.5  42.6  22.0  24.4  11.1  27  25  52.3  32.5  22.5  12.7 
15  kpc-M15-101  72.5  42.6  22.0  24.4  11.9  27  25  52.3  32.5  22.8  12.7 
16  kpc-M16-101  72.5  42.6  22.0  24.4  12.7  27  25  52.3  32.5  22.8  12.7 
18  kpc-M18-101  78.9  47.4  22.0  24.4  15.1  30  30  58.7  37.3  26.0  16.8 
20  kpc-M20-101  84.5  53.0  22.0  26.0  15.9  35  32  64.3  42.9  29.0  23.9 
 
  Back
Home | Other Products| Profile | Products | Quality | Services & Support | Feedback | Contact Us
Product Range:
Corrugated HosesStrip Wound HosesGoose NeckCam Lock Couplings Tube FittingsTemperature Sensor Comp.