|
 |
Tube
Fittings |
Tube to Male Pipe |
Back |
|
|
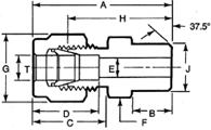
Male Pipe Weld Connector |
Male Pipe Weld Connector - Connects
fractional tube to pipe |
|
|
|
|
Male |
|
|
|
|
|
|
|
|
|
|
T |
Pipe |
|
|
|
|
|
|
|
|
|
|
Tube |
Weld |
Basic |
|
|
|
|
Minimum |
Hex |
Hex |
|
|
O.D. |
Size |
Ordering |
|
|
|
|
Opening |
Flat |
Flat |
|
|
(inch.) |
(inch.) |
Number |
A |
B |
C |
D |
E |
F |
G |
H |
J |
1/8 |
1/8 |
kpc-2-11-2PW |
1.20 |
.38 |
.60 |
.50 |
.09 |
7/16 |
7/16 |
.94 |
.405 |
3/16 |
1/8 |
kpc-3-11-2PW |
1.23 |
.38 |
.63 |
.54 |
.12 |
7/16 |
1/2 |
.97 |
.405 |
1/4 |
1/8 |
kpc-4-11-2PW |
1.29 |
.38 |
.70 |
.60 |
.19 |
1/2 |
9/16 |
1.00 |
.405 |
1/4 |
1/4 |
kpc-4-11-4PW |
1.49 |
.56 |
.70 |
.60 |
.19 |
9/16 |
9/16 |
1.20 |
.540 |
5/16 |
1/8 |
kpc-5-11-2PW |
1.34 |
.38 |
.73 |
.64 |
.20 |
9/16 |
5/8 |
1.05 |
.405 |
5/16 |
1/4 |
kpc-5-11-4PW |
1.52 |
.56 |
.73 |
.64 |
.25 |
9/16 |
5/8 |
1.23 |
.540 |
3/8 |
1/4 |
kpc-6-11-4PW |
1.57 |
.56 |
.76 |
.66 |
.28 |
5/8 |
11/16 |
1.28 |
.540 |
3/8 |
3/8 |
kpc-6-11-6PW |
1.57 |
.56 |
.76 |
.66 |
.28 |
11/16 |
11/16 |
1.28 |
.540 |
3/8 |
1/2 |
kpc-6-11-8PW |
1.82 |
.75 |
.76 |
.66 |
.28 |
7/8 |
11/16 |
1.53 |
.675 |
1/2 |
3/8 |
kpc-8-11-6PW |
1.71 |
.56 |
.86 |
.90 |
.41 |
13/16 |
7/8 |
1.31 |
.675 |
1/2 |
1/2 |
kpc-8-11-8PW |
1.93 |
.75 |
.86 |
.90 |
.41 |
7/8 |
7/8 |
1.53 |
.840 |
1/2 |
3/4 |
kpc-8-11-12PW |
1.99 |
.75 |
.86 |
.90 |
.41 |
1-1/16 |
7/8 |
1.59 |
1.050 |
5/8 |
1/2 |
kpc-10-11-8PW |
1.93 |
.75 |
.86 |
.96 |
.50 |
15/16 |
1 |
1.53 |
.840 |
3/4 |
3/4 |
kpc-12-11-12PW |
1.99 |
.75 |
.86 |
.96 |
.62 |
1-1/16 |
1-1/8 |
1.59 |
1.050 |
1 |
1 |
kpc-16-11-16PW |
2.45 |
1 |
1.04 |
1.23 |
.88 |
1-3/8 |
1-1/2 |
1.97 |
1.315 |
|
|
|
Back |
|
 |
|