|
 |
Tube
Fittings |
Tube to Male Pipe |
Back |
|
|
Male Pipe Weld Connector |
Male Pipe Weld Connector - Connects
metric tube to pipe |
|
|
|
|
Male |
|
|
|
|
|
|
|
|
|
|
T |
Pipe |
|
|
|
|
|
|
|
|
|
|
Tube |
Weld |
Basic |
|
|
|
|
Minimum |
Hex |
Hex |
|
|
O.D. |
Size |
Ordering |
|
|
|
|
Opening |
Flat |
Flat |
|
|
(mm.) |
(inch.) |
Number |
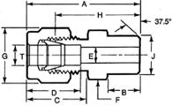
A |
B |
C |
D |
E |
F |
G |
H |
J |
3 |
1/8 |
kpc-M3-11-2PW |
30.5 |
9.7 |
15.3 |
12.9 |
2.4 |
12 |
12 |
23.9 |
10.3 |
4 |
1/8 |
kpc-M4-11-2PW |
31.2 |
9.7 |
16.1 |
13.7 |
2.4 |
12 |
12 |
24.6 |
10.3 |
6 |
1/8 |
kpc-M6-11-2PW |
32.8 |
9.7 |
17.7 |
15.3 |
4.8 |
14 |
14 |
25.4 |
10.3 |
6 |
1/4 |
kpc-M6-11-4PW |
37.9 |
14.2 |
17.7 |
15.3 |
4.8 |
14 |
14 |
30.5 |
13.7 |
8 |
1/8 |
kpc-M8-11-2PW |
34.2 |
9.7 |
18.6 |
16.2 |
5.1 |
15 |
16 |
26.7 |
10.3 |
8 |
1/4 |
kpc-M8-11-4PW |
38.7 |
14.2 |
18.6 |
16.2 |
6.4 |
15 |
16 |
31.2 |
13.7 |
8 |
1/2 |
kpc-M8-11-8PW |
45.6 |
19.0 |
18.6 |
16.2 |
6.4 |
22 |
16 |
38.1 |
21.3 |
10 |
1/4 |
kpc-M10-11-4PW |
40.9 |
14.2 |
19.5 |
17.2 |
7.1 |
18 |
19 |
33.3 |
13.7 |
10 |
3/8 |
kpc-M10-11-6PW |
40.9 |
14.2 |
19.5 |
17.2 |
7.9 |
18 |
19 |
33.3 |
17.1 |
10 |
1/2 |
kpc-M10-11-8PW |
46.5 |
19.0 |
19.5 |
17.2 |
7.9 |
22 |
19 |
38.9 |
21.3 |
12 |
1/4 |
kpc-M12-11-4PW |
43.4 |
14.2 |
22.0 |
22.8 |
7.1 |
22 |
22 |
33.3 |
13.7 |
12 |
3/8 |
kpc-M12-11-6PW |
43.4 |
14.2 |
22.0 |
22.8 |
9.5 |
22 |
22 |
33.3 |
17.1 |
12 |
1/2 |
kpc-M12-11-8PW |
49.0 |
19.0 |
22.0 |
22.8 |
9.5 |
22 |
22 |
38.9 |
21.3 |
14 |
3/8 |
kpc-M14-11-6PW |
44.1 |
14.2 |
22.0 |
24.4 |
10.3 |
24 |
25 |
34.0 |
17.1 |
15 |
1/2 |
kpc-M15-11-8PW |
49.0 |
19.0 |
22.0 |
24.4 |
11.9 |
24 |
25 |
38.9 |
21.3 |
16 |
1/2 |
kpc-M16-11-8PW |
49.0 |
19.0 |
22.0 |
24.4 |
12.7 |
24 |
25 |
38.9 |
21.3 |
18 |
1/2 |
kpc-M18-11-8PW |
50.5 |
19.0 |
22.0 |
24.4 |
13.5 |
27 |
30 |
40.4 |
21.3 |
|
|
|
Back |
|
 |
|