 |
Tube
Fittings |
Tube to Male Pipe |
Back |
|
|
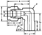
Male Pipe Weld Elbow, 90 degree |
Male Pipe Weld Elbow, 90 degree
- Connects fractional tube to pipe |
|
|
|
|
Male |
|
|
|
|
|
|
|
|
|
|
|
T |
Pipe |
|
|
|
|
|
|
|
|
|
|
|
Tube |
Weld |
Basic |
|
|
|
|
Minimum |
Wrench |
Hex |
|
|
|
O.D. |
Size |
Ordering |
|
|
|
|
Opening |
Pad |
Flat |
|
|
|
(inch.) |
(inch.) |
Number |
A |
B |
C |
D |
E |
F |
G |
Hx |
Hy |
J |
1/4 |
1/8 |
kpc-4-21-2PW |
1.06 |
.38 |
.70 |
.60 |
.19 |
1/2 |
9/16 |
.77 |
.74 |
.405 |
1/4 |
1/4 |
kpc-4-21-4PW |
1.06 |
.56 |
.70 |
.60 |
.19 |
1/2 |
9/16 |
.77 |
.92 |
.540 |
3/8 |
1/4 |
kpc-6-21-4PW |
1.20 |
.56 |
.76 |
.66 |
.28 |
5/8 |
11/16 |
.91 |
1.00 |
.540 |
1/2 |
1/2 |
kpc-8-21-8PW |
1.42 |
.75 |
.86 |
.90 |
.41 |
13/16 |
7/8 |
1.02 |
1.30 |
.840 |
3/4 |
3/4 |
kpc-12-21-12PW |
1.57 |
.75 |
.86 |
.96 |
.62 |
1-1/16 |
1-1/8 |
1.17 |
1.45 |
1.050 |
|
|
|
Back |
|
 |